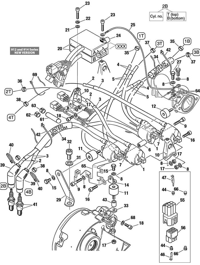
ROTAX 912 UL AND 914 UL DOUBLE IGNITION COIL ASSEMBLY / SMD – ELECTRONIC MODULE – NEW VERSION
Categorías: Asamblea de doble encendido, ROTAX 912/914 Series
Precio de $0.21 a $371.39
Overview
| Rotax 912 UL And 914 UL Double Ignition Coil Assembly / Smd – Electronic Module – New version parts.
Explanations of symbols and statements in part number charts:
![]() |
Notes
|
No.
|
Status
|
Part No.
|
Description |
912 UL
|
914 UL
|
Price
|
|
4
|
865-710
|
IGNITION CABLE 7 MM |
AR c
|
AR c
|
$45.80
|
|
|
5
|
860-990
|
PROTECTION HOSE 8×1 |
AR d
|
AR d
|
$29.52
|
|
|
12
|
865-710
|
IGNITION CABLE 7 MM |
1i
|
1i
|
$45.80
|
|
|
20
|
966-729
|
SMD-ELECTRONIC MODULE |
2o
|
2o
|
*
|
|
|
41
|
297-940
|
SPARK PLUG 12MM/Torque 180 in.lb.8 |
|
*
|
||
|
41
|
881-330
|
SPARK PLUG 12MM/Torque 180 in.lb.8 |
8
|
*
|
||
|
59
|
–
|
SHRINK TUBE 20 MM |
|
–
|
||
|
60
|
–
|
SHRINK TUBE 20 MM |
1k
|
–
|
||
|
61
|
n.a.
|
–
|
PROTECTION HOSE 60 MM |
2
|
2
|
–
|
|
64
|
965-782
|
MASS CABLE ASSEMBLY |
2
|
2
|
NLA
|
|
|
68
|
s.v.
|
945-751
|
LOCK WASHER A6 |
1
|
1
|
$0.21
|
|
–
|
N
|
964-090 | EASY START UNLOCK CABLE ASSY. |
1
|
|
–
|

