All Categories
wipes
Lubricants
Wing Walk
Windshield Restoration
Ultralight Sails
Spray Systems
Windshield Cleaners
Weatherstrip
Waxes
Varnish
Toluene
Tempo Spray Coatings
Stewart Systems
Simple Green
Spry System
Soundproofing
Safety-Equipment
Randolph-Coatings
Primers
Poly - Fiber
Plastic/-Acrylic Cleaners
Polishes
Lightning-Protection
Paint Removers
Respirators
3M
Painting Equipment
Paint
Metal Prep Suplies
Mek
LPS Products
Lacquer
Irons & Heat Guns
Interiors
Insulation
Hand-Cleaners
Inspection Plates
Fuel Tank Sealants
Fire Retardants
Fillers
Fabric Supplies
Fabric
Epoxy
Engine / Propeller Coating
Door Seals
De-Icing-Products
Corrosion-Treatment
Dracon
Cord Rib Lacing
CERTIFIED COATING
Cement
CECONITE
Adhesive Removers
Adhesives/Glues
Acetone
Magnetos and Parts
Mounts Engine
Lubricants
Seals
Spark Plugs
Fuel filters
Fuel Additives
Componentes de Escape
Gaskets
Engines
Engine Preheaters
accesorios de motor
Enamels
Ducting
TCM Parts
CLAMPS
Carb Heat Boxes
Filtros
Skybolt
Machine Screws
Pins
NUTS
Screws
Southco
Washers
Brackets
Bushings
Bolts
Landing Lights
Engineering
Universal Flight Strobe (FS-4400)
Accessories
Replacement Lenses
Grimes
Kuntzleman
Flashlights
Beacons
LED LIGHTING
Lamps, Replacement
Instrument Lighting
Interior Lighting
Position Lights
Wire & Wiring Systems
Trim-Systems
Static Dischargers
Servo Systems
Relays/Solenoids
Press-To-Test Indicators
Power Supplies
GE Bulbs
Carburetors and Parts
CYLINDERS
Omega
Valves
Jacks
Tools
Rivets
Reservoirs and Fluid
Parts
Master Brake Cylinders
Linings/Pads
Line
Rapco
Cleveland
Beringer
Brake Discs
Brake Components
0.625 Diameter
1.500 Diameter
0.750 Diameter
1.250 Diameter
20mm Diameter
Aplication Chart
Matco
True-Lock L.L.C. Axle Nut Fastener Systems
Axle Nuts
U-Bolts
Shims
Homebuilders
Grove
Citabria and Aeronca
Cessna
Axles and Axle Nuts
APPS Black Steel
TREN DE ATERRIZAJE
4130 Round Tubing
4130 STRIPS
Trailing Edge
Welding Rod
Polishes
Metal Prep Supplies
Stainless Steel Rod/Tubing
E-4340
3/8 Inch Piper Channel
Baring Bags
4130 Streamline Tubing
4130 Welding Rod
4130 Round Bar
4130 Square and Rectangular Tubing
4130 Sheet
Steel Information
STEEL
PVC Pipe
Piano Hinges
Phenolic
Nylon
LEAD SHEET
ALUMINUM LEADING EDGE
Firewall Metals
Epoxy Rod
Delrin Rod
Copper
Cellulose Acetate
Zenith
WHISPER
VULCAN C100
VOLMER
Volksplanes
VELOCITY
Vans (RV)
TUNDRA
THORP
Thatcher
SUMMIT II
Starduster
Sonex
STEWART MUSTANG
Sonerai
Skyote
SAFARI
ROTORWAY
NEXAER
SKYBOLT
POBER
Pazmany
PIETENPOL
Pulsar
PITTS
P-51
VENTURE
ONE DESIGN
PANTHER
MORIN M85
LONG EZ
MEYER'S LITTLE TOOT
NESMITH COUGAR
MURPHY REBEL
KR
LANCAIR AIRCRAFT
HUMMINGBIRD HELICOPTER
Honey Bee
GP4 and Osprey
GLASAIR
FRED
FLY BABY
ERACER
CYGNET
Christavia
Europa XS
EASY EAGLE
DAISY MAE
Cozy
CADET STF
WITTMAN
BREEZY
BK FLIER
BEARHAWK
Barracuda
Bakeng Deuce
Baby Great Lakes
Aviat
AquaJet X
Alfa HB207
Acrosport
Acrolite
Xacto
Tips and Applicators
Stanley
Squeegees and Spreaders
Painting Accesories
Kits
DISPOSABLE ICING BAGS
Core Recessor
Curing
Bottles and Cups
Herramientas
Viking
Van Sant Multitools
Standard Abrasive Pads
Hojas de Lija
Sanding Sticks
Sanding Blocks
Permagrit
Mini Sander
MICROMESH FINISHING KIT
MBX Vinyl Zapper
MBX Brush Belt
Dremel
Acroduster
KITS AND PLANS
Discos de Lijado
ORBITAL SANDER
3M
Lijas
Control Yokes Grip
Thickening Agents
TAPE
Cowling
Audio Panels
Antenas
Annunciators
Air/Oil Separators
GROMMETS
Equipo de Clima
Windmeters
Towbars
SUJETADORES
Protectores Solares
Escalones
Accesorios
Yokes / Sticks
Cuadrantes del Acelerador
Software
Pedales de Timón
Paneles de Instrumentos
Audio
Simulador Completo
SIMULADORES
fasteners
COTTER PINS
Seguridad
CONNECTORS
CABINETS
AN-FITTINGS
HARDWARE
Accesorios de Asiento
Simuladores de Vuelo
WAT (formerly Whelen)
Power Portable
Plotters
VOLTAGE|CONTROLS
TERMINALS
Paracaidas
SOPORTE
BING
AIR-MAZE
FILTROS DE AIRE
PARTES DE MOTORES
TAIL-LIGHTS
Life Vests and Rafts
Leatherman Tools
SWIITCHES
IFR Hoods
STROBES
Headsets
Scanners
Base Station
Yaesu Vertex Standard
REALYS-SOLENOIDS
ICOM
RADIOS
Panel Mount
Non-Aviation
RAM Mounts
G-Force Mounts
POWER-PANELS
Handheld GPS
AirGizmos
Spidertracks
iLevel
IFlye Adventure Pilot
Garmin
AvMap
GPS
Guantes y Googles
POWER-CONVERTERS
Fuel Transfer Pumps
POWER-CONDITIONING
PIN-&-SOCKET-TOOLS
NOISE-FILTERS
FUEL TESTERS
IGNITION-SWITCHES
EXTINGUIDORES
FLASHLIGHTS
Drones & RCs
DIMMING-SYSTEMS
CONTROL-UNITS
CIRCUIT-BREAKERS
COWL PLUGS
RUNAWAY SELECTORS WIND
LANDING PATTERN COMPUTER
JEPPESEN CSG
HOLDING PATTERN COMPUTERS
GLEIM
CHECKMATE RADIALMATE
ATIS
ASA
COMPUTER FLIGHT
RELOJES
Chocks
CO Detectors
CHARGERS-BATTERY
Air Coolers
Tire Equipment
Test Equipment
BATERIAS
Sheet Metal Tools
ALTERNADORES
ELECTRICAL
ELTS-&-PLBS
Rulers
Rod and Measurement
Radius Check
Protactors
Plumb Bobs
Micrometers
Contour Gauges
Camloc Measure
Calipers
Angle Finders
Wrenches
Vacuums
Tubing Tools
Thermometers
Sunex Tools
Specialty Tools
Sharpening Tools
Screw and Bolt Tools
Scales
Safety Wire Tools
Rivet Nut Tools
Oil Filter Tools
EFIS
ELECTRONIC-FLIGHT-BAGS
PANELES-DE-AVIONICA-PERSONALIZADOS
VENTILADORES-DE-REFRIGERACIOM
CONVERTIDORES-ENERGIA
COMPUTADORAS-GRABADORAS
TRANCEPTORES-COM-PANEL
SISTEMAS PARA EVITAR COLISIONES
CDLS
CARGADORES
Estándar-Yaesu / Vertex
VELOCIDAD DE LA LUZ
BATERIAS
ESTACIONES BASE
Window Inspection
Video Scopes
Mirrors
Magnifiers
Lights
Leak-Crack Detection
Inspection Kits
Fiber-Optic Scopes
Wire
Vacuum
Tire
Lycoming Tappet
Swages
Spark Plug
Seat Rail
Rivet
Radius/Fillet
Air Pressure
Nutserts
Mil
Flap Track
Drill
Contour
Cable Tension Meters
Bore
AN Bolt
Herramientas Electricas
Pneumatic Tools
Planers
Aparatos de Medición
Herramientas de Aumento
Magnetic Tools Holders
Jacks
Instrument Gauge Tools
Equipo de Inspeccion
Medidores
Linternas
AVIONICS
ADS-B
INFUSIÓN AL VACIÓ
EMBOLSADO AL VACIO
Tool Sets
Hand Tools
EQUIPO DE SEGURIDAD
SHIMMY DAMPERS
RESINA
KITS DE REPARACIÓN
RATIO PUMPS
IMPRIMACIONES-SUPERFICIES
KITS DE PRACTICA
SEAT COMPONENTS
AGENTES DE LIBERACIÓN DE MOLDE
SUMINISTROS MIXIN
KEVLAR
SUMINISTROS DE HOTWIRE
HONEYCOMB CELL
SEATBELTS
RUDDER PEDALS
ESPUMA
FILLERS
TELA DE FIBRA | CINTA
TELA
POSITIVE LOCK
GLIDE FREE
FRICTION LOCK
BUTTON LOCK
RUDDER & ELEVATOR SKINS
EPOXY
CORTADORES-CIZALLAS
CEMENTO
RUDDER & ELEVATOR KITS
RUDDER PARTS
OIL DRAIN VALVES
OIL FILTER ADAPTERS
THROTTLE
OIL ACCESS DOORS
PROPELLER
MASTER SWITCH
LIGHTING
BROCHAS
LATCHES
YOKE UNIVERSAL JOINT AND SLEEVE
FIBRA DE CARBONO / GRAFITO
ADHESIVOS
JACKS
MATERIALES COMPUESTOS
HORIZONTAL STABILIZER PARTS
MIXTURE
HEATERS
CARB HEAT
CONTROLS
HEAT SHIELDS
HARDWARE KITS
CONTROL LOCKS
GLARESHIELDS
FUEL VALVES & LINES
FUEL STRAINERS/PLUNGERS
FUEL SELECTOR PLATE
FUEL QUANTITY TRANSMITTER
FLAP PARTS
FIBERGLASS COMPONENTS
CLAMPS
Bushing Stock
Brass Tubing
Aluminio
Acrílico
Metales y Plásticos
FAIRINGS
EZ FLAP HANDLE EXTENSION
EXHAUST CUFF
414
Sheet Holders
Sharpeners and Grinders
Saf-T-Block
Rivet Tools
Kits
Jigs and Guides
Hole Cutters
Gauges
Extensions
Drill Stops
Drill Chucks
Dimple Die Sets
Cutters
Carbide Burs
Drill Bits
Drills
Equipo de Hangar
Red Vipper
Herramientas Especiales
Carros de Herramienta y Sillas de Trabajo
Towbar Brackett
Towbars / Tugs
Boot Protectors
De-Icing Products
Covering Supplies
De-Icing
Herramientas del Motor
Drivers
Equipo de Perforación
Dollys
De-Icing Equipment
340
337
206
185
180
177
172
Deshumificadores
Crimpers
Countersinks
170
152
CIRRUS PARTS
150
EXHAUST SYSTEM
ENTRY STEPS
ENGINE MOUNTS
DRAIN VALVES
Equipo de Limpieza
DOOR PARTS
WING PARTS
WINDOWS
WHEELS Y BRAKES
VORTEX GENERATORS
DECALS/PLACARDS
COWL PARTS
CONTROL WHEELS/YOKERS
CONTROLS
TOWBARS
SPEED BRAKES
SOUNDPROOFING
SHIMMY DAMPERS
CLAMPS
CHECKLISTS
CHAFE SEAL
CABLES
BRAKE DISCS
BOOKS/DVDs
BOGERT CABLES
BATTERY BOXES
AXLES
ALTERNATORS
AIR/OIL SEPARATORS
AIR FILTERS
Piezas Usadas
SEATBELTS Y HARNESSES
Accesorios
Sistemas de Vacío
Herramientas
Startes
Bujías
Selladores y Grasas
Radiadores
RUDDER PARTS
PROPELLERS
PITOT TUBES
OIL COOLERS
LIGHTING
AILERON PARTS
REPLACEMENT PARTS LISTS
LANDING GEAR
JACKS
INTAKE PARTS
Hélices y Spinners
Precalentadores
Conjunto de Pistones
HARDWARE
O-Rings
GLARESHIELDS
Sistemas de Aceite
Filtros de Aceite
Aceites
Silenciadores
CESSNA PARTS
CARB HEAT BOXES
FUEL PARTS
EXHAUST SYSTEMS
CANOPIES
ENGINE MOUNTS
CABLE KITS
Accesorios
CONTROL ATTACHMENTS/FITTING
ELECTRICAL
DOOR PARTS
Browse All Cameras
Sistemas de Camara
SUMINISTROS PARA PILOTOS
Herramientas de Sujeción
Equipo de Cable
Barras de Seguridad
Limpieza
HERRAMIENTAS
TURNBUCKLES
TIE-RODS
THREADED TERMINALS
THIMBLES/SLEEVES
TERMINAL ASSEMBLIES
STUDS
DECALS Y EMBLEMS
COWLING Y PARTS
CANOPY/ENGINE COVERS
CONTROL WHEELS Y YOKES
CONTROLS
FORKS
FITTINGS
FAIR LEADS
COVERS
CABLE
COCKPIT ACCESSORIES
CHECKLISTS
BALLS
CABLE ASSEMBLIES
WHEEL PANT COVERS
TRISOFT WING/PROP COVERS
STATIC PORT COVERS
RED WING PROTECTIVE FOAM
BRAKE PARTS
BOOTS Y COVERS
BOOKS Y DVDS
BAFFLING
ALTERNATORS
Instrumentos y Sondas
AIR/OIL SEPARATOR
Mangueras
AIR FILTERS
REPLACEMENT PARTS
95
80
PM RESEARCH
77
76
PLANE SIGHTS AIRCRAFT MARKERS
Hardware
65/70
60
Caja de Cambios
58
56
55
Gaskets and Rings
Bombas de Combustible
PILOT TUBE COVERS
JET ENGINE COVERS
FUEL CAP COVERS
FOR SALE BANNERS
CEE BAILEYS PROP SLING
BRUCES CUSTOM COVERS
BOOT COVERS
3M POLYURETHANE PROTECTIVE BOOTS
BOOTS AND COVERS
Suministros de Combustible
Sistema de Escape y Piezas
TOOLS
50
36
TRIANGLE MFG
35
TIMKEN
33
TEMPEST
24
SYMMCO
STABILATOR BEARING
Electrico
Válvulas de Drenaje
Decarbon Kits
SINTERED
SEALS
ROD END
Cylinder Parts and Services
REGREASERS
BEARING PACKER
MS21153
MS21152
MS21151
MS21150
KP SERIES
HEIM
Cigüeñal
Refrigerantes
Clutch Parts
19/23
AIRCRAFT REPLACEMENT PARTS GUIDE
BEECHCRAFT PARTS
HARDWARE
PIPER
HEAT SHIELDS
Partes del Carburador
HARTZELL
FAFNIR
DW SERIES
GRUMMAN
DSP SERIES
DP SERIES
AF0750128-66
400 SERIES
210 EARLY MODELS
208
207 EARLY MODELS
T206/T207/T210
206 LATE MODELS
Wiring Harnesses
206 EARLY MODELS
C200 OIL COOLER
Circuito de Agua, Tanque de Expansión
185
Bombas de Agua
Partes de Arranque
Radiadores
Tanques de Aceite Partes
Intake Manifold
Partes de Ignición
Governors
Bombas de Combustible
182 OIL COOLER
182 LATE MODELS
180 / 182 EARLY MODELS
177RG
Cables / Controls
Cinturones
Inyector de Combustible Piezas
Sistema de Escape
Pezas de Suspensión del Motor
177
172S
BUSHINGS
172R/S
Cigüeñal y Partes
Crankcase
Unidades de Control
Camshaft
Alternadores y Partes
ROTAX 915iS Series
BOSTON GEAR
BELLCRANK BEARINGS
172RG
BALL JOINT ASSEMBLIES
172R
BALL BEARINGS
172P
172N
172M
172I / 172K / 172L / 172M (73)
172A
170
152
150
CESSNA
BEECHCRAFT
AURORA
BEARINGS
RAW MATERIALS
BLAFFLING MATERIAL
ENTRADAS DE AIRE
AEROSTAR PARTS
Avionics
ROTAX 582 UL
Filtros de aire
ROTAX ACCESSORIES AND SUPPLIES
Carburadores
Wiring Harnesses
Circuito de Agua - Tanque de Expansión
Bombas de Agua
AERONCA/ERCOUPE PARTS
Bombas de Vacío
Partes de Arranque
PARTES DEL ALA
Kits de Reparación y Herramientas
Reguladores
Radiadores
Partes de Hélice
Sondas y Sensores
Embrague de Sobrecarga
GENERADORES DE VORTICE
FRENOS DE VELOCIDAD
Tanque de Aceite Partes
Intake Manifold
STRUT FAIRINGS
Partes de Encendido
Hardware
Governor
Juegos de Juntas
Bombas de Combustible
Inyector de Combustibles Piezas
Sistemas de Escape
Piezas de Suspensión del Motor
Cigüeñal y partes
UNIDADES DE CONTROL
FLAP SKIN KITS
AILERON SKIN KITS
CESSNA SKIN KITS
D&E AILERON COVES
D&E AILERON FLAP PARTS
AILERONS
AEREODINAMICO
PARTES DE FUSELAJE
camshaft
Alternadores y Partes
ROTAX 912iS Series
Bombas de vacío
Water Circuit, Expansion Tank
Turbocompresores
Starters
Software
Kits de reparación y herramientas
Radiadores
Kit de boletín de servicio de varilla de empuje
Conjunto de engranaje de hélice
Embrague de sobrecarga
Sistemas de aceite
Manuales
Generador magnético
Lubricantes y Adhesivos
Instrumentos
Carcasa de encendido
Hardware
Gobernadores
Juegos de juntas
Bombas de combustible
Conjunto de manguera de combustible
Sistemas de escape
Piezas del bastidor de suspensión del motor
SMD ELECTRONIC MODULE
Asamblea de doble encendido
Cabeza de cilindro
Cárter, pistón
Cárter, árbol de levas
Alternadores y Partes
ROTAX 912/914 Series
TOOLS AND GASKETS
LUBRICANT ADHESIVES AND SEALING COMPOUNDS
ENGINE FLY-DAT UNIT PARTS
ENGINE RECTIFIER REGULATOR
582UL PARTS
ROTAX ENGINES
Uncategorized
0
All Categories
Marketpress
Close
✕
INICIO
PRODUCTOS
IRC ROTAX NORTHWEST MEXICO
HÉLICES
CONTACTO
INICIO
PRODUCTOS
IRC ROTAX NORTHWEST MEXICO
HÉLICES
CONTACTO
My Account
All Categories
wipes
Lubricants
Wing Walk
Windshield Restoration
Ultralight Sails
Spray Systems
Windshield Cleaners
Weatherstrip
Waxes
Varnish
Toluene
Tempo Spray Coatings
Stewart Systems
Simple Green
Spry System
Soundproofing
Safety-Equipment
Randolph-Coatings
Primers
Poly - Fiber
Plastic/-Acrylic Cleaners
Polishes
Lightning-Protection
Paint Removers
Respirators
3M
Painting Equipment
Paint
Metal Prep Suplies
Mek
LPS Products
Lacquer
Irons & Heat Guns
Interiors
Insulation
Hand-Cleaners
Inspection Plates
Fuel Tank Sealants
Fire Retardants
Fillers
Fabric Supplies
Fabric
Epoxy
Engine / Propeller Coating
Door Seals
De-Icing-Products
Corrosion-Treatment
Dracon
Cord Rib Lacing
CERTIFIED COATING
Cement
CECONITE
Adhesive Removers
Adhesives/Glues
Acetone
Magnetos and Parts
Mounts Engine
Lubricants
Seals
Spark Plugs
Fuel filters
Fuel Additives
Componentes de Escape
Gaskets
Engines
Engine Preheaters
accesorios de motor
Enamels
Ducting
TCM Parts
CLAMPS
Carb Heat Boxes
Filtros
Skybolt
Machine Screws
Pins
NUTS
Screws
Southco
Washers
Brackets
Bushings
Bolts
Landing Lights
Engineering
Universal Flight Strobe (FS-4400)
Accessories
Replacement Lenses
Grimes
Kuntzleman
Flashlights
Beacons
LED LIGHTING
Lamps, Replacement
Instrument Lighting
Interior Lighting
Position Lights
Wire & Wiring Systems
Trim-Systems
Static Dischargers
Servo Systems
Relays/Solenoids
Press-To-Test Indicators
Power Supplies
GE Bulbs
Carburetors and Parts
CYLINDERS
Omega
Valves
Jacks
Tools
Rivets
Reservoirs and Fluid
Parts
Master Brake Cylinders
Linings/Pads
Line
Rapco
Cleveland
Beringer
Brake Discs
Brake Components
0.625 Diameter
1.500 Diameter
0.750 Diameter
1.250 Diameter
20mm Diameter
Aplication Chart
Matco
True-Lock L.L.C. Axle Nut Fastener Systems
Axle Nuts
U-Bolts
Shims
Homebuilders
Grove
Citabria and Aeronca
Cessna
Axles and Axle Nuts
APPS Black Steel
TREN DE ATERRIZAJE
4130 Round Tubing
4130 STRIPS
Trailing Edge
Welding Rod
Polishes
Metal Prep Supplies
Stainless Steel Rod/Tubing
E-4340
3/8 Inch Piper Channel
Baring Bags
4130 Streamline Tubing
4130 Welding Rod
4130 Round Bar
4130 Square and Rectangular Tubing
4130 Sheet
Steel Information
STEEL
PVC Pipe
Piano Hinges
Phenolic
Nylon
LEAD SHEET
ALUMINUM LEADING EDGE
Firewall Metals
Epoxy Rod
Delrin Rod
Copper
Cellulose Acetate
Zenith
WHISPER
VULCAN C100
VOLMER
Volksplanes
VELOCITY
Vans (RV)
TUNDRA
THORP
Thatcher
SUMMIT II
Starduster
Sonex
STEWART MUSTANG
Sonerai
Skyote
SAFARI
ROTORWAY
NEXAER
SKYBOLT
POBER
Pazmany
PIETENPOL
Pulsar
PITTS
P-51
VENTURE
ONE DESIGN
PANTHER
MORIN M85
LONG EZ
MEYER'S LITTLE TOOT
NESMITH COUGAR
MURPHY REBEL
KR
LANCAIR AIRCRAFT
HUMMINGBIRD HELICOPTER
Honey Bee
GP4 and Osprey
GLASAIR
FRED
FLY BABY
ERACER
CYGNET
Christavia
Europa XS
EASY EAGLE
DAISY MAE
Cozy
CADET STF
WITTMAN
BREEZY
BK FLIER
BEARHAWK
Barracuda
Bakeng Deuce
Baby Great Lakes
Aviat
AquaJet X
Alfa HB207
Acrosport
Acrolite
Xacto
Tips and Applicators
Stanley
Squeegees and Spreaders
Painting Accesories
Kits
DISPOSABLE ICING BAGS
Core Recessor
Curing
Bottles and Cups
Herramientas
Viking
Van Sant Multitools
Standard Abrasive Pads
Hojas de Lija
Sanding Sticks
Sanding Blocks
Permagrit
Mini Sander
MICROMESH FINISHING KIT
MBX Vinyl Zapper
MBX Brush Belt
Dremel
Acroduster
KITS AND PLANS
Discos de Lijado
ORBITAL SANDER
3M
Lijas
Control Yokes Grip
Thickening Agents
TAPE
Cowling
Audio Panels
Antenas
Annunciators
Air/Oil Separators
GROMMETS
Equipo de Clima
Windmeters
Towbars
SUJETADORES
Protectores Solares
Escalones
Accesorios
Yokes / Sticks
Cuadrantes del Acelerador
Software
Pedales de Timón
Paneles de Instrumentos
Audio
Simulador Completo
SIMULADORES
fasteners
COTTER PINS
Seguridad
CONNECTORS
CABINETS
AN-FITTINGS
HARDWARE
Accesorios de Asiento
Simuladores de Vuelo
WAT (formerly Whelen)
Power Portable
Plotters
VOLTAGE|CONTROLS
TERMINALS
Paracaidas
SOPORTE
BING
AIR-MAZE
FILTROS DE AIRE
PARTES DE MOTORES
TAIL-LIGHTS
Life Vests and Rafts
Leatherman Tools
SWIITCHES
IFR Hoods
STROBES
Headsets
Scanners
Base Station
Yaesu Vertex Standard
REALYS-SOLENOIDS
ICOM
RADIOS
Panel Mount
Non-Aviation
RAM Mounts
G-Force Mounts
POWER-PANELS
Handheld GPS
AirGizmos
Spidertracks
iLevel
IFlye Adventure Pilot
Garmin
AvMap
GPS
Guantes y Googles
POWER-CONVERTERS
Fuel Transfer Pumps
POWER-CONDITIONING
PIN-&-SOCKET-TOOLS
NOISE-FILTERS
FUEL TESTERS
IGNITION-SWITCHES
EXTINGUIDORES
FLASHLIGHTS
Drones & RCs
DIMMING-SYSTEMS
CONTROL-UNITS
CIRCUIT-BREAKERS
COWL PLUGS
RUNAWAY SELECTORS WIND
LANDING PATTERN COMPUTER
JEPPESEN CSG
HOLDING PATTERN COMPUTERS
GLEIM
CHECKMATE RADIALMATE
ATIS
ASA
COMPUTER FLIGHT
RELOJES
Chocks
CO Detectors
CHARGERS-BATTERY
Air Coolers
Tire Equipment
Test Equipment
BATERIAS
Sheet Metal Tools
ALTERNADORES
ELECTRICAL
ELTS-&-PLBS
Rulers
Rod and Measurement
Radius Check
Protactors
Plumb Bobs
Micrometers
Contour Gauges
Camloc Measure
Calipers
Angle Finders
Wrenches
Vacuums
Tubing Tools
Thermometers
Sunex Tools
Specialty Tools
Sharpening Tools
Screw and Bolt Tools
Scales
Safety Wire Tools
Rivet Nut Tools
Oil Filter Tools
EFIS
ELECTRONIC-FLIGHT-BAGS
PANELES-DE-AVIONICA-PERSONALIZADOS
VENTILADORES-DE-REFRIGERACIOM
CONVERTIDORES-ENERGIA
COMPUTADORAS-GRABADORAS
TRANCEPTORES-COM-PANEL
SISTEMAS PARA EVITAR COLISIONES
CDLS
CARGADORES
Estándar-Yaesu / Vertex
VELOCIDAD DE LA LUZ
BATERIAS
ESTACIONES BASE
Window Inspection
Video Scopes
Mirrors
Magnifiers
Lights
Leak-Crack Detection
Inspection Kits
Fiber-Optic Scopes
Wire
Vacuum
Tire
Lycoming Tappet
Swages
Spark Plug
Seat Rail
Rivet
Radius/Fillet
Air Pressure
Nutserts
Mil
Flap Track
Drill
Contour
Cable Tension Meters
Bore
AN Bolt
Herramientas Electricas
Pneumatic Tools
Planers
Aparatos de Medición
Herramientas de Aumento
Magnetic Tools Holders
Jacks
Instrument Gauge Tools
Equipo de Inspeccion
Medidores
Linternas
AVIONICS
ADS-B
INFUSIÓN AL VACIÓ
EMBOLSADO AL VACIO
Tool Sets
Hand Tools
EQUIPO DE SEGURIDAD
SHIMMY DAMPERS
RESINA
KITS DE REPARACIÓN
RATIO PUMPS
IMPRIMACIONES-SUPERFICIES
KITS DE PRACTICA
SEAT COMPONENTS
AGENTES DE LIBERACIÓN DE MOLDE
SUMINISTROS MIXIN
KEVLAR
SUMINISTROS DE HOTWIRE
HONEYCOMB CELL
SEATBELTS
RUDDER PEDALS
ESPUMA
FILLERS
TELA DE FIBRA | CINTA
TELA
POSITIVE LOCK
GLIDE FREE
FRICTION LOCK
BUTTON LOCK
RUDDER & ELEVATOR SKINS
EPOXY
CORTADORES-CIZALLAS
CEMENTO
RUDDER & ELEVATOR KITS
RUDDER PARTS
OIL DRAIN VALVES
OIL FILTER ADAPTERS
THROTTLE
OIL ACCESS DOORS
PROPELLER
MASTER SWITCH
LIGHTING
BROCHAS
LATCHES
YOKE UNIVERSAL JOINT AND SLEEVE
FIBRA DE CARBONO / GRAFITO
ADHESIVOS
JACKS
MATERIALES COMPUESTOS
HORIZONTAL STABILIZER PARTS
MIXTURE
HEATERS
CARB HEAT
CONTROLS
HEAT SHIELDS
HARDWARE KITS
CONTROL LOCKS
GLARESHIELDS
FUEL VALVES & LINES
FUEL STRAINERS/PLUNGERS
FUEL SELECTOR PLATE
FUEL QUANTITY TRANSMITTER
FLAP PARTS
FIBERGLASS COMPONENTS
CLAMPS
Bushing Stock
Brass Tubing
Aluminio
Acrílico
Metales y Plásticos
FAIRINGS
EZ FLAP HANDLE EXTENSION
EXHAUST CUFF
414
Sheet Holders
Sharpeners and Grinders
Saf-T-Block
Rivet Tools
Kits
Jigs and Guides
Hole Cutters
Gauges
Extensions
Drill Stops
Drill Chucks
Dimple Die Sets
Cutters
Carbide Burs
Drill Bits
Drills
Equipo de Hangar
Red Vipper
Herramientas Especiales
Carros de Herramienta y Sillas de Trabajo
Towbar Brackett
Towbars / Tugs
Boot Protectors
De-Icing Products
Covering Supplies
De-Icing
Herramientas del Motor
Drivers
Equipo de Perforación
Dollys
De-Icing Equipment
340
337
206
185
180
177
172
Deshumificadores
Crimpers
Countersinks
170
152
CIRRUS PARTS
150
EXHAUST SYSTEM
ENTRY STEPS
ENGINE MOUNTS
DRAIN VALVES
Equipo de Limpieza
DOOR PARTS
WING PARTS
WINDOWS
WHEELS Y BRAKES
VORTEX GENERATORS
DECALS/PLACARDS
COWL PARTS
CONTROL WHEELS/YOKERS
CONTROLS
TOWBARS
SPEED BRAKES
SOUNDPROOFING
SHIMMY DAMPERS
CLAMPS
CHECKLISTS
CHAFE SEAL
CABLES
BRAKE DISCS
BOOKS/DVDs
BOGERT CABLES
BATTERY BOXES
AXLES
ALTERNATORS
AIR/OIL SEPARATORS
AIR FILTERS
Piezas Usadas
SEATBELTS Y HARNESSES
Accesorios
Sistemas de Vacío
Herramientas
Startes
Bujías
Selladores y Grasas
Radiadores
RUDDER PARTS
PROPELLERS
PITOT TUBES
OIL COOLERS
LIGHTING
AILERON PARTS
REPLACEMENT PARTS LISTS
LANDING GEAR
JACKS
INTAKE PARTS
Hélices y Spinners
Precalentadores
Conjunto de Pistones
HARDWARE
O-Rings
GLARESHIELDS
Sistemas de Aceite
Filtros de Aceite
Aceites
Silenciadores
CESSNA PARTS
CARB HEAT BOXES
FUEL PARTS
EXHAUST SYSTEMS
CANOPIES
ENGINE MOUNTS
CABLE KITS
Accesorios
CONTROL ATTACHMENTS/FITTING
ELECTRICAL
DOOR PARTS
Browse All Cameras
Sistemas de Camara
SUMINISTROS PARA PILOTOS
Herramientas de Sujeción
Equipo de Cable
Barras de Seguridad
Limpieza
HERRAMIENTAS
TURNBUCKLES
TIE-RODS
THREADED TERMINALS
THIMBLES/SLEEVES
TERMINAL ASSEMBLIES
STUDS
DECALS Y EMBLEMS
COWLING Y PARTS
CANOPY/ENGINE COVERS
CONTROL WHEELS Y YOKES
CONTROLS
FORKS
FITTINGS
FAIR LEADS
COVERS
CABLE
COCKPIT ACCESSORIES
CHECKLISTS
BALLS
CABLE ASSEMBLIES
WHEEL PANT COVERS
TRISOFT WING/PROP COVERS
STATIC PORT COVERS
RED WING PROTECTIVE FOAM
BRAKE PARTS
BOOTS Y COVERS
BOOKS Y DVDS
BAFFLING
ALTERNATORS
Instrumentos y Sondas
AIR/OIL SEPARATOR
Mangueras
AIR FILTERS
REPLACEMENT PARTS
95
80
PM RESEARCH
77
76
PLANE SIGHTS AIRCRAFT MARKERS
Hardware
65/70
60
Caja de Cambios
58
56
55
Gaskets and Rings
Bombas de Combustible
PILOT TUBE COVERS
JET ENGINE COVERS
FUEL CAP COVERS
FOR SALE BANNERS
CEE BAILEYS PROP SLING
BRUCES CUSTOM COVERS
BOOT COVERS
3M POLYURETHANE PROTECTIVE BOOTS
BOOTS AND COVERS
Suministros de Combustible
Sistema de Escape y Piezas
TOOLS
50
36
TRIANGLE MFG
35
TIMKEN
33
TEMPEST
24
SYMMCO
STABILATOR BEARING
Electrico
Válvulas de Drenaje
Decarbon Kits
SINTERED
SEALS
ROD END
Cylinder Parts and Services
REGREASERS
BEARING PACKER
MS21153
MS21152
MS21151
MS21150
KP SERIES
HEIM
Cigüeñal
Refrigerantes
Clutch Parts
19/23
AIRCRAFT REPLACEMENT PARTS GUIDE
BEECHCRAFT PARTS
HARDWARE
PIPER
HEAT SHIELDS
Partes del Carburador
HARTZELL
FAFNIR
DW SERIES
GRUMMAN
DSP SERIES
DP SERIES
AF0750128-66
400 SERIES
210 EARLY MODELS
208
207 EARLY MODELS
T206/T207/T210
206 LATE MODELS
Wiring Harnesses
206 EARLY MODELS
C200 OIL COOLER
Circuito de Agua, Tanque de Expansión
185
Bombas de Agua
Partes de Arranque
Radiadores
Tanques de Aceite Partes
Intake Manifold
Partes de Ignición
Governors
Bombas de Combustible
182 OIL COOLER
182 LATE MODELS
180 / 182 EARLY MODELS
177RG
Cables / Controls
Cinturones
Inyector de Combustible Piezas
Sistema de Escape
Pezas de Suspensión del Motor
177
172S
BUSHINGS
172R/S
Cigüeñal y Partes
Crankcase
Unidades de Control
Camshaft
Alternadores y Partes
ROTAX 915iS Series
BOSTON GEAR
BELLCRANK BEARINGS
172RG
BALL JOINT ASSEMBLIES
172R
BALL BEARINGS
172P
172N
172M
172I / 172K / 172L / 172M (73)
172A
170
152
150
CESSNA
BEECHCRAFT
AURORA
BEARINGS
RAW MATERIALS
BLAFFLING MATERIAL
ENTRADAS DE AIRE
AEROSTAR PARTS
Avionics
ROTAX 582 UL
Filtros de aire
ROTAX ACCESSORIES AND SUPPLIES
Carburadores
Wiring Harnesses
Circuito de Agua - Tanque de Expansión
Bombas de Agua
AERONCA/ERCOUPE PARTS
Bombas de Vacío
Partes de Arranque
PARTES DEL ALA
Kits de Reparación y Herramientas
Reguladores
Radiadores
Partes de Hélice
Sondas y Sensores
Embrague de Sobrecarga
GENERADORES DE VORTICE
FRENOS DE VELOCIDAD
Tanque de Aceite Partes
Intake Manifold
STRUT FAIRINGS
Partes de Encendido
Hardware
Governor
Juegos de Juntas
Bombas de Combustible
Inyector de Combustibles Piezas
Sistemas de Escape
Piezas de Suspensión del Motor
Cigüeñal y partes
UNIDADES DE CONTROL
FLAP SKIN KITS
AILERON SKIN KITS
CESSNA SKIN KITS
D&E AILERON COVES
D&E AILERON FLAP PARTS
AILERONS
AEREODINAMICO
PARTES DE FUSELAJE
camshaft
Alternadores y Partes
ROTAX 912iS Series
Bombas de vacío
Water Circuit, Expansion Tank
Turbocompresores
Starters
Software
Kits de reparación y herramientas
Radiadores
Kit de boletín de servicio de varilla de empuje
Conjunto de engranaje de hélice
Embrague de sobrecarga
Sistemas de aceite
Manuales
Generador magnético
Lubricantes y Adhesivos
Instrumentos
Carcasa de encendido
Hardware
Gobernadores
Juegos de juntas
Bombas de combustible
Conjunto de manguera de combustible
Sistemas de escape
Piezas del bastidor de suspensión del motor
SMD ELECTRONIC MODULE
Asamblea de doble encendido
Cabeza de cilindro
Cárter, pistón
Cárter, árbol de levas
Alternadores y Partes
ROTAX 912/914 Series
TOOLS AND GASKETS
LUBRICANT ADHESIVES AND SEALING COMPOUNDS
ENGINE FLY-DAT UNIT PARTS
ENGINE RECTIFIER REGULATOR
582UL PARTS
ROTAX ENGINES
Uncategorized
Inicio
Productos
ROTAX 912/914 Series
Generador magnético
Generador magnético
Sort by
Sorting
Popularity
Newness
Price: low to high
Price: high to low
View
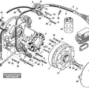
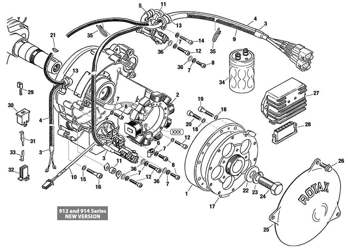
ROTAX 912 | 914 UL ENGINE MAGNETO-GENERATOR | PICK UP | RECTIFIER REGULATOR
Añadir al carrito
ROTAX 912 | 914 UL ENGINE MAGNETO-GENERATOR | PICK UP | RECTIFIER REGULATOR
Precio de $0.21 a $1160.36
ROTAX 912 | 914 UL ENGINE MAGNETO-GENERATOR | PICK UP | RECTIFIER REGULATOR
Categorías:
Generador magnético
,
ROTAX 912/914 Series
Precio de
$0.21
a
$1160.36
ROTAX 912 | 914 UL ENGINE MAGNETO-GENERATOR | PICK UP | RECTIFIER REGULATOR quantity
Añadir al carrito
Shopping cart